HOME | 製品カテゴリー | プラスチック成形機器 | 超精密 重量式フィーダー

エンプラや高価なマスターバッチを節約してコストダウン多品種少量生産に最適な重量式フィーダー

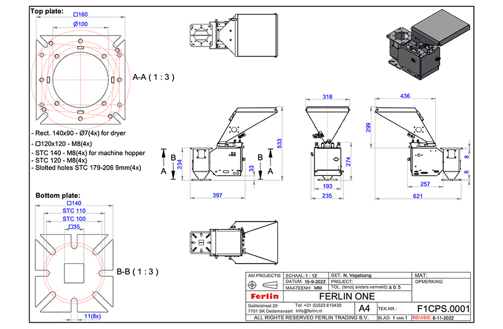
超精密 重量式フィーダー ONE(投入直前計量タイプ)


フェルリン社

◎通常の6倍精度のロードセル
◎投入直前に精密計量
◎グラム単位での正確な投入
◎振動が少ないベルトコンベアを採用
◎直感的に操作できるコントロールパネル
◎Ferlin社ソフトウェアと簡単リンク
◎軽量設計

仕 様

ロードセル

3kg

ホッパー容量

7.5ℓ

総重量

15kg

圧縮空気

6bar

電圧

240V, 50/60Hz

定格

45w

本体サイズ

L:621mm×W:306mm×H:533mm

投入量

0〜25kg/h

ギャラリー

関連記事


記事を読む

合理化機器の組合せをご紹介します。成形現場のムダを省き時短&コストカットを可能に。